电话
400-800-9400
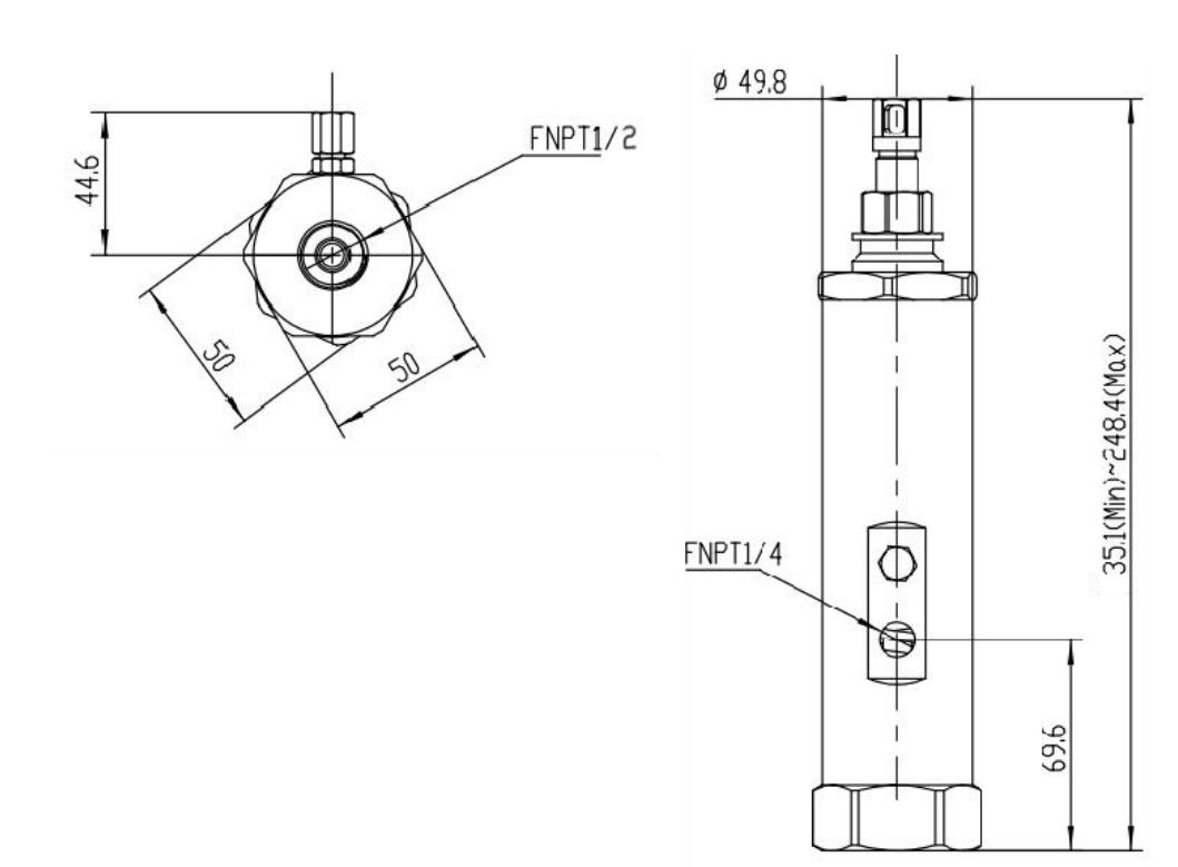
VL-11计量阀
VL-11计量装置适用于单线高压润滑系统,可输送粘度在NLGI 2以下的润滑脂。输出流量外部可调。顶部指示杆可目视检查计量设备的操作。单独的计量装置可以很容易地拆卸检查或更换。
VL-11计量装置适用于单线高压润滑系统,可输送粘度在NLGI 2以下的润滑脂。输出流量外部可调。顶部指示杆可目视检查计量设备的操作。单独的计量装置可以很容易地拆卸检查或更换。
| 技术参数 | |
| 产品名称 | VL-11 |
| 出油口数量 | 1至6 |
| 每一出油口排量 | 0.82 - 8.2 ml(可调) |
| 润滑剂 | 润滑脂NLGI 0, 1,2 |
| 工作温度 | -40 ~93 °C |
| 工作压力 | 70至240Bar |
| 材质 | 碳钢或不锈钢 |
| 连接主线 | 1/2 NPT (F) |
| 连接出口 | 1/4 NPT (F) |

| 型号 | 螺纹 |
| VL1100 | 1/4 NPT (F) |
可以组合在计量装置VL-1、VL-1X、VL-1XL、VL-11、VL-32的管路中
输出外部可调
每个指示器引脚允许目视检查注入器运行情况
单个计量装置可随意拆卸检查或更换