电话
400-800-9400
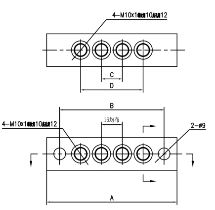
VSD分油块
VSD系列分油块可将润滑泵输出的润滑脂或润滑油,按照设定的比例分配至各润滑点,确保设备的运动部件得到均匀、可靠的润滑。该系列产品结构紧凑、安装方便,可根据客户需求配合手动润滑泵或电动润滑泵使用,也可搭配快插接头、卡套接头等附件,实现灵活的润滑管路布局。
VSD系列分油块可将润滑泵输出的润滑脂或润滑油,按照设定的比例分配至各润滑点,确保设备的运动部件得到均匀、可靠的润滑。该系列产品结构紧凑、安装方便,可根据客户需求配合手动润滑泵或电动润滑泵使用,也可搭配快插接头、卡套接头等附件,实现灵活的润滑管路布局。

| 型号 | 出口 | 出口数 | A | B | C | D |
| VSD-04KT | M10*1 | 4 | 100 | 80 | 16 | 48 |
| VSD-09KT | M10*1 | 9 | 180 | 128 | 16 | 48 |
| VSD-12KT | M10*1 | 12 | 228 | 208 | 16 | 48 |